上海人民电器厂RMQ3自动转换开关简介
RMQ3-63自动转换开关(以下简称转换开关)属于CB级,主要用于额定工作电压交
流50Hz400V,额定电流63A及以下的三相四线双路供电电网中(电网-电网),当常用电
源输入端的任意一相或所有各相出现电源故障(断相或失压)时,立刻自动将负载转换
至备用电源供电;当常用电源恢复正常后,即刻自动将负载返回至常用电源供电,并对
负载电路具有短路和过电流保护。
在需要持续不间断供电的场所,如工厂、医院、银行、商场、高层建筑及其它重要
场合,当常用电源发生故障时,要求备用电源在很短的时间内投入使用,RMQ3-63自动转
换开关就具有上述功能。
转换开关为单电机传动机构。
转换开关具有KK的联锁设计,确保只有一个位置接通。
使用类别AC-33iB。
用途与特点
标 准
型号及含义
RM Q 3 - 63 /
极数(三极或四极用数字表示)
断路器壳架等级额定电流
设计序号
自动转换开关
产品企业代号
转换开关主要由安装在底板上的两台RMC1H小型断路器、电动机传动机构、开关控
制板、N极专用接线柱等组成。
结 构
1. 检测端子
2. RMC1H小型断路器
3. 电动机传动机构
4. N极专用接线柱
RMQ3-3
自动转换类
RMQ1 RMQ3 RMQ5 RMQ6 RMU1 RMK/RMKC/T RMS1 RMD2 P1700
产品结构及性能
转换开关通过常用电源端小型断路器(输入端)的任意一相对电源进行检测,当检测到任意一相或所有各相出现电
源故障(断相或失压)时,立刻自动将负载转换至备用电源供电。
性 能
控制方式
手动控制方式
自动控制方式
手动控制方式有断开、常用接通、备用接通三种方式,不进行检测,不进行自动转换。
转换开关由安装于开关内的开关控制板执行电动控制,转换开关对常用电源(输入端)进行检测并自动转换,即正
常状态时由常用电源供电,当常用电源输入端的任意一相或所有各相出现电源故障(断相或失压)时,立刻自动将负载
转换至备用电源供电;当常用电源恢复正常后,即刻自动将负载返回至常用电源供电。
当负载端发生短路或过载时,开关内部触头断开,切断电路。在排除故障后须用手动操作方式将操作手柄调到分闸
位置,使开关机构完成再扣后再重新合闸。
基本技术参数
RMQ3-63 自投自复
常用电源N 备用电源R 工作状态
正常 正常 N供电,Q N 合闸,Q R 分闸
异常 正常 Q N 分闸,Q R 合闸,R供电
恢复正常 正常 Q R 分闸,Q N 合闸,恢复N供电
RMQ3原理图
注: Q N : 控制常用电源的小型断路器
Q R : 控制备用电源的小型断路器
*RMQ3-63/4用户接线排列顺序自左至右为N、A、B、C。
RMQ3-63自动转换开关原理图
自动转换类
RMQ3-4
RMQ1 RMQ3 RMQ5 RMQ6 RMU1 RMK/RMKC/T RMS1 RMD2 P1700
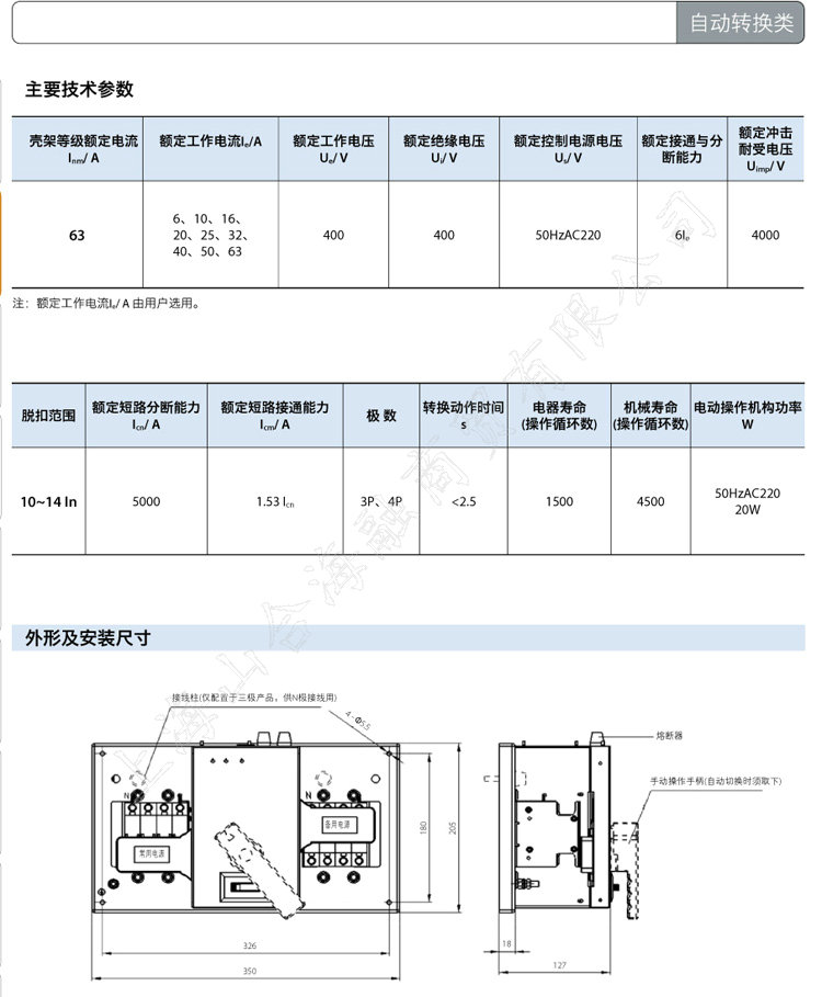
主要技术参数
外形及安装尺寸
注:额定工作电流I e / A 由用户选用。
壳架等级额定电流
I nm / A
额定工作电流I e /A 额定工作电压
U e / V
额定绝缘电压
U i / V
额定控制电源电压
U s / V
额定接通与分
断能力
额定冲击
耐受电压
U imp / V
63
6、10、16、
20、25、32、
40、50、63
400 400 50HzAC220 6I e 4000
脱扣范围
额定短路分断能力
I cn / A
额定短路接通能力
I cm / A
极 数
转换动作时间
s
电器寿命
(操作循环数)
机械寿命
(操作循环数)
电动操作机构功率
W
10~14 In 5000 1.53 I cn 3P、4P <2.5 1500 4500
50HzAC220 20W








